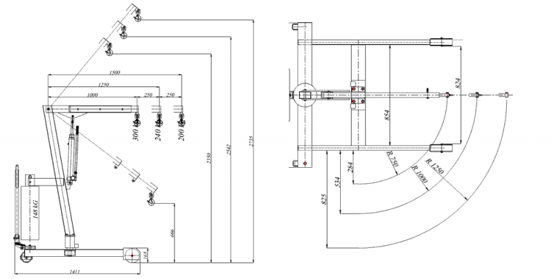
Żurawiki z obrotowym ramieniem
Przejezdny żurawie warsztatowy, którego obrotowe ramię usprawnia pracę. Podnoszenie ramienia odbywa się za pomocą jednostopniowej pompy ręcznej. Płynność opuszczania zapewnia precyzyjny zawór. Ramię posiada trzy stopnie regulacji długości. Przy maksymalnym wysunięciu ramienia udźwig maksymalny spada o połowę. Kółka skrętne wyposażone są w hamulce.
PRODUKT POLSKI
| Symbol | Udźwig max. | Cena netto | ||
| Do podanych cen należy doliczyć 23% VAT. Ceny mogą ulec zmianie. | ||||
| ZHM-050 | 300 kg | |||
|---|---|---|---|---|
| ZHM-051 | 500 kg | |||
Warunki dostaw:
Dostawa na terenie Warszawy i okolic: kalkulacja indywidualna.Dostawa krajowa: kalkulacja indywidualna.
Nowości w ofercie
Wózki systemowe platformowe VARIOFIT
Regały magazynowe CRWV - udźwig do 600 lub 900 kg/półkę
Osłony ram regałów paletowych RACK-MAMMUT
Regały przemysłowe-systemowe CMXZ Picking M7
Prasa do odpadów EKOPACK 40
Zamiatarka M-Sweeper 900
Owijarki przemysłowe WMS - MANULI EKOBAL
Automatyczny magazyn palet PALLET MASTER
Wózki paletowe z wagą KPZ
Napinacz ZAPAK
Bezpieczne skrzynie transportowe - CASES








Platforma transportowe jezdna plastikowaRabat 5%
Paskowacz XL PP13/16 - spięcie zapinką blaszanąRabat 5%
Wózki transportowe ZAKREM
Szafki socjalne BHP 300 - EKORabat 5%